-
卷對卷薄膜電暈處理機
適用于柔性卷狀材料的表面改性,如銅箔/鋁箔膜、塑料,鐵氟龍、pp膜,無紡布等卷式材料處理
全國服務熱線: 137-2884-2905
薄膜表面電暈處理機產品特點:
數字液晶顯示屏,預設工作數據,記憶功能,儲存參數設定;
逆變回路采用進口IGBT功率模塊,工作穩定;
多種監測保護過溫、過流、短路、合架開啟、輥筒停轉等
合理的傳動設計結構,搭配張力控制系統,運行穩定可靠
適用于柔性卷狀材料的表面改性,如銅箔/鋁箔膜、塑料膜,鐵氟龍、pp膜,無紡布等卷式材料處理;
在軟包裝材料印刷中,如聚乙烯、聚丙烯等薄膜,其表面極為光滑,又缺乏表面極性,在這樣的表面上進行印刷或涂布,不能滿足油墨或涂料對承印物表面附著性的基本要求。為此,在印刷、涂布之前應對承印物表面進行電暈處理,使承印物表面極化。
電暈放電是集中對印刷中的承印物在進入印刷機組之前進行放電的有效方法。其基本原理是:當承印物通過專門消除靜電的處理棍時,對處于承印物上方的電極施放高壓、高頻電量,將空氣分解成導電氣體,并產生電暈和臭氧,從而使承印物表面極化。
薄膜表面電暈處理機主要由鍍鉻金屬輾和放電極組成,其組成方式有以下兩種:
1.棍式電暈處理裝置
這種電暈處理裝置為單面處理裝置,其基本構成如圖所示。
當承印物從鍍鉻處理輾與電極輾之間通過時,即可完成電暈放電處理。本裝置處理的承印物幅寬可達2000mm,處理速度為300m/min,主要用于處理金屬箔和其他導電性承印材料。

圖-輥式電暈處理裝置
1—電極輥 2-鍍鉻輥 3—承印物
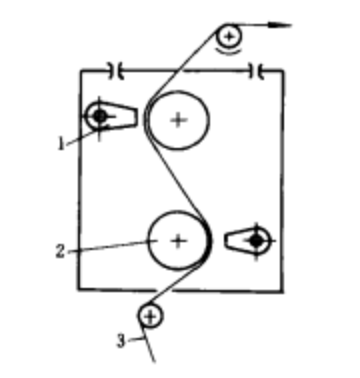
2.盒形電暈處理裝置
這種裝置屬于單、雙面處理裝置,由上、下兩組構成,呈垂直配置。每組由處理混和盒形電極組成,如圖所示。
承印物從上、下兩組處理裝置通過,完成雙面電暈處理,承印物的走紙路線如圖示。此裝置可處理幅寬為2000mm的承印物,處理輾的直徑一般為100mm,處理速度為75m/min。

圖-盒式電暈處理裝置
1—盒形電極 2-鍍鉻輥 3—承印物



